![]() |
|
现行代号 | 16NY-02050 | 曾用代号 | 996713K-01A | 代号来源 | QLHXY | |||||||||
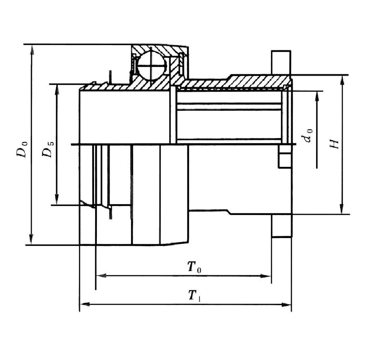
| 轴承类型 | 汽车轴承 | 结构类型 | NL型非调心、拉式离合器分离轴承单元 | ||||||||||||
| |||||||||||||||
|
倒角尺寸 (Rmin) |
倒角尺寸 (Rmax) |
重量(KG) | 静载荷 (KN) |
动载荷 (KN) |
脂极限转速 (r/min) |
油极限转速 (r/min) |
| 商标 | 供应商 | 聊城鲁寰轴承有限公司 | 用途 | 汽车专用轴承 | |||
| 行业参考价 | 仅VIP会员 或 已注册微信小程序“轴承价格”的会员才可查看 | ||||||
战略联盟/友情链接 |
|